条形方通是什么?
U型方通安装示意图
它是吊顶材料的一种,一般以铝方通材料居多,又称U型方通、U型槽,可以分为铝板铝方通和型材铝方通。
本期分享内容如下: 1)方通种类简介 2)方通的施工工艺 3)铝方通施工注意事项及成品保护 4)室内其他常见吊顶分类介绍
01 方通种类简介
1.铝板铝方通 通过连续滚压或冷弯成型,安装结构为专用龙骨卡扣式结构,安装方法类似普通的条形扣板,简单方便,适用于室内装饰(龙骨可设计防风卡码)。
2.型材铝方通 产品硬度与直线度非常好,安装结构为利用上层主骨,以螺丝和特造的构件与型材锤片连接,防风性强(龙骨间距可任意调节)。特殊的铝方通可拉弯成弧形。
3.材料特性 ① 安装简单快捷,不耽误工期,维护成本低,可随意安装和拆卸; ② 用途广泛,用于隐蔽工程繁多人流量密集的公共场所,便于空气流通、排气、散热,同时能够使光线分布均匀,使做个快捷宽敞明亮,广泛应用于地铁、高铁站、机场等大型公共空间; ③ 规格、尺寸、造型、色彩都可定制,可灵活调节上部空间的视觉高度。
4.表面处理 主要有:喷涂、烤漆、滚涂、覆膜。 其中喷涂、烤漆使用寿命短,容易出现色差,滚涂使用寿命居中,覆膜板又可分为普通膜与进口膜。
5.规格 底宽 20-400mm,高度 20-600mm,厚度 0.4-3.5mm。
02 方通的施工工艺
1.方通吊顶施工准备
1)材料准备轻钢龙骨、配件、吊杆、膨胀螺栓、铝方通(50*100)等,进场检验合格且应有出厂合格证及材料质量证明。 2)机具准备型材切割机、电动曲线锯、手电钻、电锤、自攻螺栓钻、手提电动砂纸机等。 3)作业条件吊顶的范围内,机电安装均已施工完毕,各种管线均已试压合格,且已经过隐蔽验收。 ① 已确定灯位、通风口及各种照明孔口的位置; ② 顶棚罩面板安装前,应作完墙、地面的湿作业工程项目; ③ 搭好顶棚施工操作平台架子; ④ 龙骨架顶棚在大面积施工前,应做样板间,对顶棚的起拱、灯具、烟感探测器、导向标识、风口等处进行构造处理,检查符合设计要求后再大面积施工。 2.方通吊顶施工工艺 1)工艺流程
2)施工要点 ① 弹标高控制线 根据图纸及现场实际情况确定标高,并在四周墙柱面弹出标高控制线,经测量人员复核无误; ② 弹吊杆点线 根据吊顶排版图确定吊杆中心点位置,用墨线弹出,龙骨间距 1200mm,边距 300mm,吊点弹线完毕后应及时检查。不得遗漏检修口、通道口等处的附加吊杆位置线; ③ 吊杆龙骨 吊杆与龙骨进场后,将材料报验资料上报监理单位,通过进场验收后,方可使用。龙骨搬运时造成翘曲、变形者,应予修理; ④ 吊杆固定 按照标高要求制作吊杆,并根据吊点位置安装固定吊杆,Φ8金属吊杆用膨胀螺栓与结构顶板连接,双向吊杆中距 1200mm; ⑤ 安装主、次龙骨 吊杆安装完后安装主龙骨,大厅主龙骨南北布置,以便于调节起拱,然后安装次龙骨,主龙骨间距 1200mm,次龙骨间距 1200mm,与主龙骨十字交叉,紧贴主龙骨,并与其扣牢。安装主龙骨,同时应起拱,主龙骨的接长应采取对接,相邻两龙骨的端部通过对接片固定对接,主龙骨挂好后应基本调平。 3)图示 ① 方通天花与风口节点示意图:
② 方通天花与烟感探测器节点图:
③ 方通天花与灯具节点图:
④ 方通天花与干挂墙面接口点示意图:
⑤ 方通天花与广播喇叭节点图:
⑥ 方通天花与挡烟垂壁示意图:
⑦ 方通天花与防火卷帘示意图:
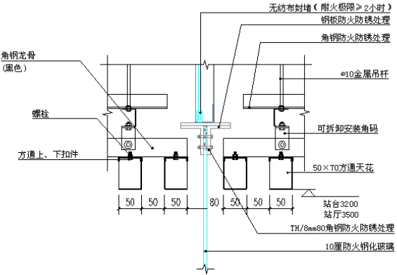
⑧方通天花与防烟封堵示意图:
03 铝方通施工注意事项及成品保护 1.质量要求 1)主控项目: ① 吊顶标高、尺寸、起拱和造型应符合设计要求; ② 饰面材料的材质、品种、规格、图案和颜色应符合设计要求。当饰面材料为玻璃板时,应使用安全玻璃或采取可靠的安全措施; ③ 饰面材料的安装应稳固严密。饰面材料与龙骨的搭接宽度应大于龙骨受力面宽度的2/3; ④ 吊杆、龙骨的材质、规格、安装间距及连接方式应符合设计要求。金属吊杆、龙骨应进行表面防腐处理;木龙骨应进行防腐、防火处理; ⑤ 明龙骨吊顶工程的吊杆和龙骨安装必须牢固。 2)一般项目: ① 饰面材料表面应洁净、色泽一致,不得有翘曲,裂缝及缺损。饰面板与明龙骨的搭接应平整、吻合,压条应平直、宽度一致; ② 饰面板上的灯具、烟感器、喷淋头、风口蓖子等设备的位置应合理、美观,与饰面板的交接应吻合、严密; ③ 金属龙骨的接缝应平整、吻合、颜色一致,不得有划伤、擦伤等表面缺陷。本质龙骨应平整、顺直,无劈裂; ④ 吊顶内填充吸声材料的品种和铺设厚度应符合设计要求,并应有防散落措施。 2、成品保护 1)轻钢骨架及罩面板安装时,应注意保护顶棚内各种管线。轻钢骨架的吊杆、龙骨不准固定在通同管道及其它设备件上; 2)轻钢骨架、罩面板及其它吊顶材料在运输、进场、存放、使用过程中,应严格管理,做到不变形、不受潮、不生锈; 3)轻钢骨架不得上人踩踏;其它工种的吊挂件不得吊于轻钢骨架上; 4)为了保护成品,罩面板安装必须在顶棚内管道试水、试压,保温一切工序全部验收合格后进行。 3、应注意的质量问题 1)吊顶不平: 主龙骨安装时吊杆调平不认真,造成各吊杆点的标高不一致;施工时应认真操作,检查各吊点的紧挂程度,并拉通线检查标高与平整度是否符合设计要求和规范标准的规定; 2)轻钢骨架局部节点构造不合理: 吊顶轻钢骨架在留洞、灯具口、通风口等处,应按图纸上的相应节点构造设置龙骨及连接件,使构造符合图纸上的要求,保证吊挂的刚度; 3)轻钢骨架吊固不牢: 顶棚的轻钢骨架应吊在主体结构上,并应拧紧吊杆螺母,以控制固定设计标高;顶棚内的管线、设备件不得吊固在轻钢骨架上; 4)面层规格有偏差,安装不正;施工时注意板块规格,拉线找正,安装固定时保证平整对直。
其实除了以上这种铝方通吊顶材料之外,室内精装修吊顶材料还有很多:
04 室内其他常见吊顶分类介绍
1.轻钢龙骨纸面石膏板吊顶
2.木饰面吊顶
3.透光软膜灯槽吊顶
4.亚克力透光灯槽吊顶
5.不锈钢折板吊顶
6.硬包吊顶
7.金银箔吊顶
8.软膜天花吊顶
9.硅酸钙板吊顶
10.矿棉板吊顶
11.玻镁板吊顶
12.格栅板吊顶
13.铝扣板吊顶
14.蜂窝铝板吊顶
15.铝塑板吊顶
16.PVC板吊顶
来源:新筑课堂






