>装配整体式混凝土结构
由预制混凝土构件通过可靠的方式进行连接并与现场后浇混凝土、水泥基灌浆料形成整体的装配式混凝土结构。
>全装配整体混凝土结构
全装配式混凝土结构的PC构件靠干法连接(如螺栓连接、焊接等)形成整体。
>等同原理
指装配整体式混凝土结构应该基本达到或接近与现浇混凝土结构等同的效果。
>外挂墙板体系
预制部件:外墙、叠合楼板,阳台,楼梯、叠合梁等
体系特点:竖向受力结构采用现浇,外墙挂板不参与受力,预制比例一般10%-50%,施工难度较低,成本较低,常配合大钢模施工。
适用高度:高层,超高层
适用建筑:保障房、商品房、办公建筑
>装配式框架体系
预制部件:柱、叠合梁、外墙、叠合楼板,阳台,楼梯等;
体系特点:工业化程度高,预制比例可达80%,内部空间自由度好,室内梁柱外露,施工难度较高,成本较高。
适用高度:50米以下(7度);
适用建筑:公寓、办公、酒店、学校、工业厂房建筑等;
>装配式剪力墙体系
预制部件:剪力墙、叠合楼板,楼梯、内隔墙等;
体系特点:工业化程度高,房间空间完整,无梁柱外露,施工难度高,成本较高、可选择局部或全部预制,空间灵活度一般。
适用高度:高层、超高层;
适用建筑:商品房、保障房等
>装配式框架剪力墙体系
预制部件:柱(柱模板)、剪力墙、叠合楼板,阳台,楼梯、内隔墙等;
体系特点:工业化程度高,施工难度高,成本较高,室内柱外露,内部空间自由度较好。
适用高度:高层、超高层;
适用建筑:商品房、保障房等
>叠合剪力墙体系
预制部件:剪力墙、叠合楼板,阳台,楼梯、内隔墙等;
体系特点:工业化程度高,施工速度快,连接简单,构件重量轻,精度要求较低等。
适用高度:高层、超高层;
适用建筑:商品房、保障房等
装配整体式结构的基本构件主要包括预制混凝土柱、预制混凝土梁、预制混凝土剪力墙、预制混凝土楼面板、预制混凝土楼梯、预制混凝土阳台、空调板、女儿墙、围护结构等。
预制混凝土柱:预制混凝土实心柱、预制混凝土矩形柱壳
预制混凝土梁:预制实心梁、预制叠合梁
预制混凝土剪力墙:预制实心剪力墙、预制叠合剪力墙
预制混凝土楼面板:预制混凝土叠合板、预制混凝土实心板、预制混凝土空心板、预制混凝土双T板等
预制混凝土楼梯:外观更美观,避免现场支模,节约工期,受力明确,安装后可做施工通道
预制混凝土阳台、空调板、女儿墙。
预制混凝土围护构件:外围护墙、预制内隔墙
装配整体式结构中,根据接头受力、施工工艺等不同情况,可包含以下连接方式:钢筋套筒灌浆连接、焊接连接、浆锚搭接连接、机械连接、螺栓连接、栓焊混合连接、绑扎连接、混凝土连接等。
1
结构材料的连接方式
(一)钢筋套筒灌浆连接
全灌浆套筒接头:传统的灌浆连接接头形式,套筒两端的钢筋均采用带肋钢筋及灌浆连接。
半灌浆套筒接头:一端采用灌浆连接,另一端采用非灌浆方法。
(二)焊接连接
通过加热(必要时加压)使两根钢筋达到原子间结合的一种加工方法,将原来分开的钢筋构成一个整体,常用焊接方法有三种:熔焊、压焊、钎焊。
装配整体式中应用的主要是热熔焊接,根据焊接长度不同分单面焊和双面焊;根据作业方式分平焊和立焊。
(三)浆锚搭接连接
(四)机械连接
(五)螺栓连接
(六)绑扎连接
将两根钢筋通过细钢丝绑扎在一起的连接方式。
(七)混凝土连接
混凝土连接主要是预制构件与后浇混凝土的连接,通常通过设置粗糙面(人工凿毛法、机械凿毛法和缓凝水冲法)和抗剪键槽来加强连接。
2
构件连接的节点构造及钢筋布设
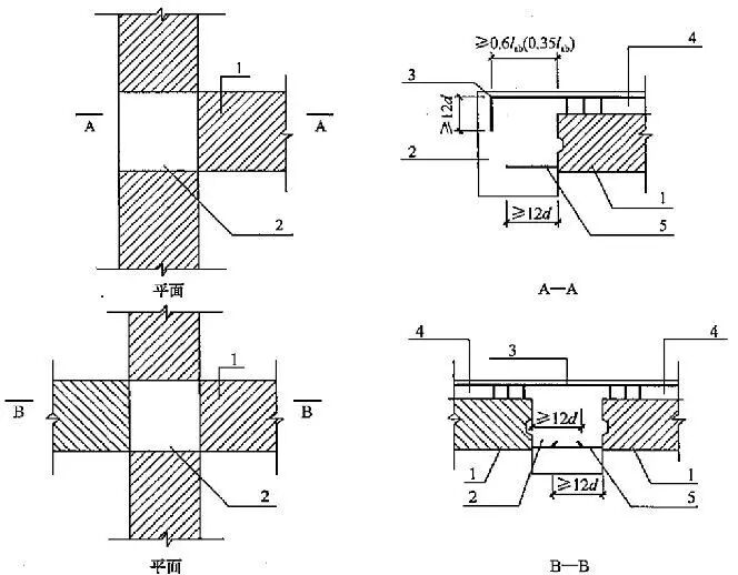
(一) 混凝土叠合楼(屋)面板的节点构造
预制混凝土与后浇混凝土之间的结合面应设置粗糙面。
粗糙面凹凸深度不应小于4mm。
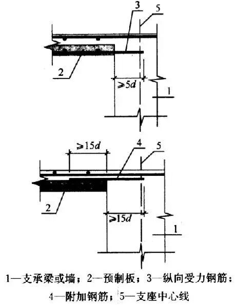
端支座处,预制板内的纵向受力钢筋宜从板端伸出并锚入支撑梁或墙的后浇混凝土中,锚固长度不应小于5d,且宜伸过支座中心线。
板侧支座处,当板底钢筋不伸入支座时,宜设置附加钢筋,间距不宜大于600mm;后浇混凝土叠合层内的锚固长度不应小于15d,且宜伸过支座中心线。
单向叠合板板侧的分离式接缝宜配置附加钢筋。
双向叠合板板侧的整体式接缝处由于有应力集中情况,宜将接缝设置在叠合板的次要受力方向上且避开最大弯矩截面。
(二) 叠合梁、预制柱的节点构造
>叠合梁的节点构造
叠合梁预制部分的截面形式:
叠合梁预制部分可采用矩形或凹口截面形式。
叠合梁与后浇混凝土、灌浆料等接合面应设置粗糙面,梁端面应设置键槽:
键槽贯通截面、键槽不贯通截面。
>叠合梁的箍筋形式
可采用整体封闭箍筋或组合封闭箍筋的形式。
抗震等级为一、二级的叠合框架梁的梁端箍筋加密区 宜采用整体封闭箍筋。
>叠合主次梁节点构造
(二)预制柱的节点构造
预制混凝土柱连接节点通常为湿连接。
柱底接缝宜设置在楼面标高处,后浇节点区混凝土上表面应设置粗糙面,柱纵向受力钢筋应贯穿后浇节点区;接缝厚度宜为20mm,并采用灌浆料填实。
上下预制柱采用钢筋套筒连接时,在套筒长度+50cm的范围内,在原设箍筋间距的基础上加密箍筋。
框架中间层节点、顶层节点和端部节点构造
(三) 预制剪力墙节点构造
预制剪力墙的顶面、底面和两侧面应处理为粗糙面或者制作键槽,与预制剪力墙连接的圈梁上表面也应处理为粗糙面。粗糙面露出的混凝土粗骨料不宜小于其最大粒径的1/3,且粗糙面凹凸不应小于6mm。
边缘构件应现浇,现浇段内应设置箍筋和纵筋。
上下剪力墙板之间,先在下墙板和叠合板上部浇筑圈梁连续带后,坐浆安装上部墙板或者浆锚搭接连接。
上下剪力墙采用钢筋套筒连接时,在套筒长度+30cm的范围内,在原设计箍筋间距的基础上加密箍筋。
(四) 叠合剪力墙连接节点
L型边缘构件节点
T型边缘构件节点
叠合剪力墙竖向钢筋连接节点
叠合剪力墙水平钢筋连接节点
预制填充墙大样
来源:百度文库、美好装配
台州材料品牌库,台州品牌库,品牌库,材料品牌库,台州市建筑装饰材料信息平台,台州市建筑装饰材料品牌库 www.tzjzzs.com






